"> ">

PRODUCT
JAPAN “SPOT” Desk Top strapping machine
JAPAN “UCHIDA” Bundling Machine
JAPAN“COM” AUTOMATIC TAPING MACHINE
Switzerland “ATS” Banding Machine
JAPAN“TAKARA” L Seal
NORWAY「BiRAL」Lubricants
Banding / Strapping machine「special」TAPE
Special made strapping tape for SPOT machine
JAPAN “SPOT” Desk Top strapping machine
EMI Automatic Strapping machine (Upgraded to SPOT-1)
Enlarge photo
Product description:

Upgraded to SPOT-1.

Easy and secure strapping for IC TRAY. 
EMI standard.  Approval of TUV.
Fit in with CE standard, CDM value is0, EMI value less than 30V. 

● Equipment:PLC(Programmable Logic Controller)、SSR(Solid State Relay)、Noise Filter、Conductive plastic Arch.
Special made  – Design for IC packaging and testing industry and Electronics industry.  To bundle up the IC TRAY、Opto-electronics blister box、panel、PCB and so on……fragile soft products.
Match up – Japanese made Conductive Soft PP Strapping Band & Anti-static P.P. Strapping soft band.  Band is environmentally friendly and fit in with RoHS. 

Features
Machine imported from Japan.
Desk Top Type, small size occupies small space.
Resist EMI to protect IC chip fully.
Resist CDM static electricity to protect IC chip.  Machine operates by PLC.
「special control by Tension adjust timer」, electronic way to bind up.
Shortly warming time: Machine is ready to operate within from 15 to 30 seconds after turning switch on.
Motor is automatically activated before each operation thus saving electricity.
Odor removable : Bad odor is cleared by deodorizing equipment. 
Heater plate temperature need not be adjusted.
Tension adjustable: Max 10kgs, with Japanese made Conductive Soft PP Strapping Band & Anti-static P.P. Strapping soft band.  Band wont’ break IC Tray.
Save electricity in 135W、low sound volume in 70dBA、simply maintenance, and long service life of machine.
Auto feeding with special backrush strap system to let strap stay in the arch.
Additional install the customized stopper.
Suitable

Electronics IC Tray、Opto-electronics blister box、panel、PCB and so on……fragile soft products.

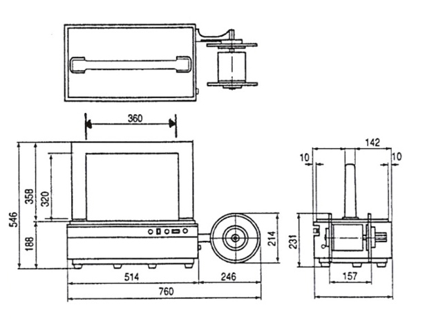
Specification
Tension Strength:the Max is 12kgs.
Sealing method:welding by hot plate.
Strapping speed:19 bundle/Min.
Power:AC 100V / 110V / Special made 220V、240V   50/60Hz.
Electrical Component:Motor 25W x 2sets
Weight :20kgs.
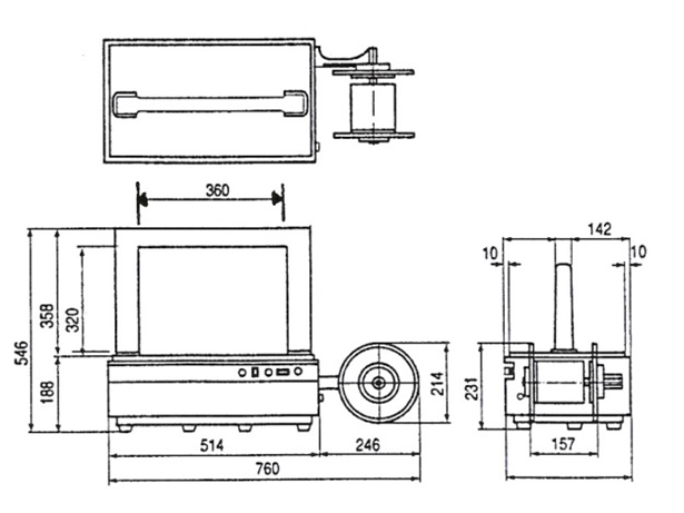
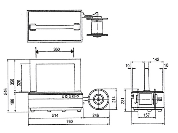
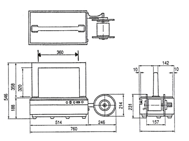
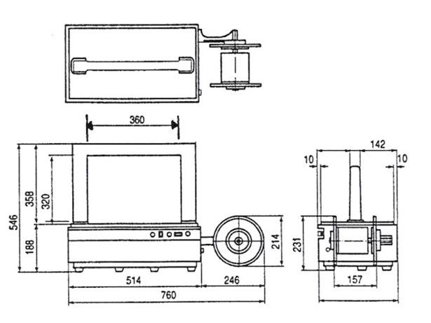
Arch size:2 types- 「general one」and「large one」, please refer the size as below pictures.

General Arch : 360 (W) x 180 (H) mm

Large Arch”: 360 (W) x 320 (H) mm

Back

DESIGN BY 光影數位科技